Curriculum complet:Couvre les quatre caractéristiques essentielles des LED: la lumière, l'électricité, la couleur et la chaleur.
Conception modulaire:Comprend des modules d'expérimentation indépendants mais de soutien avec des divisions fonctionnelles claires pour une compréhension facile.
Conception orientée vers l'enseignement:Comprend un logiciel et un appareil entièrement en vedette conçus selon les normes éducatives, favorisant la compréhension logique et l'apprentissage théorique.
Essais standardisés:Strictement suit les normes internationales faisant autorité pour des paramètres tels que l'intensité lumineuse (norme CIE) et le flux lumineux (méthode de sphère d'intégration).
Expérience de test caractéristique de l'ampère-volt.
Expérience relationnelle entre intensité lumineuse et courant.
Expérience relationnelle entre flux lumineux et courant.
Expérience de mesure des caractéristiques de distribution spatiale de la lumière de sortie LED.
Expérience de mesure des paramètres de chromaticité de différentes LED.
Expérimenter la mesure du coefficient VT (ondulation) de l'alimentation par impulsions.
Expérience Mesure du coefficient K.
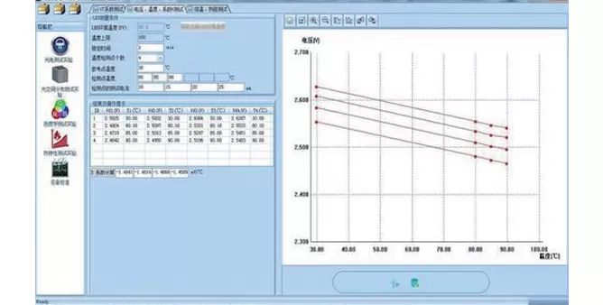
Expérience Mesure de la température de jonction et de la résistance thermique.
NON. | Nom de la partie | Paramètre principal |
1 | Alimentation LED I (source de courant constant) | Entrée 110V/220V, sortie 0 ~ 50/500mA, plage de tension 0-10V |
2 | Alimentation LED II (source de tension constante) | Entrée 110V/220V, sortie 0 ~ 10V; gamme actuelle 0 - 0.1A |
3 | Alimentation électrique d'impulsion (programmable) | Petit courant de sortie allant de 0 à 50 mA; grand courant de sortie Allant de 50 à 500 mA. |
4 | Contrôle de la température Alimentation | Gamme de chauffage: 0 - 100 ℃ |
5 | Illuminomètre avec détecteur | Éclairement mesurable et valeurs de flux lumineux, plage d'éclairement: 0.001 LX à 2000 LX; Plage de flux lumineux: 0.001 LM à 999 LM; |
6 | Alimentation RGB (source de courant constant) | Sortie de courant triphasée |
7 | Spectromètre à fibre | Gamme de longueur d'onde: 350-1050nm, résolution 2nm |
8 | Ventilateur de refroidissement Tungstène Source de lumière | Gamme de longueur d'onde: 400 nm-2000 nm Méthode de refroidissement: Ventilateur |
9 | Système de contrôleur de température | Gamme de chauffage 0 ~ 100 ℃ |
10 | Intégration de la sphère | Sphère d'intégration de rayonnement |
11 | Fixation LED et support | Dia 50mm |
NON. | Nom de la partie | Modèle | Qty. |
1 | Alimentation LED I (source de courant constant) | BEM-5036 | 1 |
2 | Alimentation LED I (source de tension constante) | BEM-5035 | 1 |
3 | Alimentation électrique d'impulsion (programmable) | BEM-5037 | 1 |
4 | Contrôle de la température Alimentation | BEM-5038 | 1 |
5 | Illuminomètre avec détecteur | BEM-5409 | 1 |
6 | Spectromètre à fibre | BIM-6001-06 | 1 |
7 | Ventilateur de refroidissement Tungstène Source de lumière | BIM-6210 | 1 |
8 | Système de contrôleur de température | BEM-5040A | 1 |
9 | Intégration de la sphère | BEM-5216-15003 | 1 |
10 | Fixation LED et support | BEM-5217 | 1 |
11 | Plate-forme de réglage pour la source lumineuse | BEM-5214 | 1 |
12 | Tube d'ouverture avec support | BEM-5215 | 1 |
13 | Ouverture | BEM-5221-03 | 1 |
14 | Afficher l'écran | BEM-5410 | 1 |
15 | Piste | BEM-5201-06 | 1 |
16 | Transporteur | BEM-5204-50 | 1 |
17 | Titulaire de poste réglable | BEM-5205-25 | 1 |
18 | Affiche | BEM-5209-09 | 1 |
19 | Fibre de quartz | SIM-6102-0605-S/S-P | 1 |
20 | Module laser avec fixation | BEM-5047 | 1 |
21 | Échantillons de test LED avec étui de stockage | BEM-5048 | 1 |
22 | Câble d'alimentation | BC-105075 | 4 |
23 | Câble de données USB | BC-105080 | 2 |
24 | 4mm Banana Plug Connecteur Câble, Rouge | BC-105084 | 6 |
| 25 | 4mm Banana Plug Connecteur Câble, Noir | BC-105083 | 6 |
1. Expérience de conversion électrique et électro-optique

2. mesurer les paramètres de chromaticité de différentes LED

3. Expérience de distribution spatiale de lumière (courbe de distribution de lumière)

La courbe montrant la variation de la moyenne
Intensité de la lumière dans l'espace unidimensionnel avec le courant

Distribution de lumière spatiale bidimensionnelle
Courbe (distribution de la lumière)
4.Étudier la relation entre le courant, le flux lumineux et l'efficacité lumineuse

La courbe montrant la relation entre le courant et le flux lumineux

La courbe montrant la relation entre le courant et l'efficacité lumineuse
6. Expérience d'essai caractéristique thermique
Ce module est utilisé pour mesurer et calculer le coefficient K, la résistance thermique et la température de jonction des LED. La configuration expérimentale comprend un système de contrôle de la température, une alimentation de contrôle de la température et une alimentation par impulsions. Après le début de l'expérience, la courbe tension-temps peut être affichée en temps réel sur l'interface logicielle, permettant l'analyse de la température de jonction et de la résistance thermique à l'état d'équilibre.

Petit test de coefficient de courant K
