Résolution optique: Jusqu'à 0.1nm
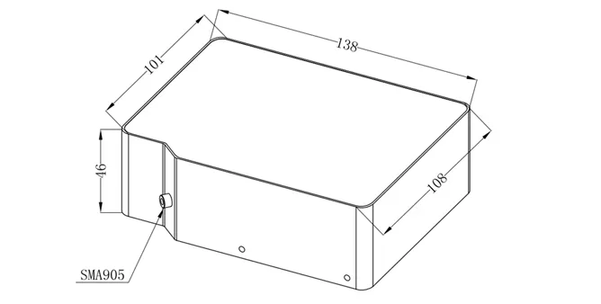
Conception compacte: taille de la paume pour une opération facile
Chemin optique: configuration de C-T asymétrique croisée avec filtre d'interférence pour la suppression de la diffraction du second ordre
Connectivité fibre: Connecteur fibre optique SMA905 pour une intégration transparente avec des appareils externes
Configuration flexible: Plage de longueur d'onde sélectionnable et résolution optique
Interface: 2.0 USB pour le transfert de données simultané et l'alimentation
Protocole de communication: RS232 soutien
Options de déclenchement: Plusieurs modes de déclenchement disponibles
Logiciel avancé: calcul automatisé de la longueur d'onde de crête et de la bande passante
Personnalisation: Prend en charge le SDK pour le développement secondaire et l'intégration OEM
Laser centre longueur d'onde, FWHM et mesure de stabilité
Mesure du spectre d'émission et d'absorption
Test de transmittance et d'absorption
Détection de fluorescence
Mesure de couleur
Mesure LED/LIBS
Test du spectre de l'énergie solaire
Modèle | BIM-6606 Série |
Gamme de longueur d'onde | 200nm-1100nm facultatif |
Résolution | 0.1nm |
Connecteur de fibre | SMA905 |
Type de détecteur | Hamamatsu S13496, réseau linéaire CMOS |
Détecteur Pixel | 4096 pixel, chaque pixel 7µm × 200µm |
Rapport signal sur bruit | 600:1 spectre complet |
Résolution A/D | 16 bit |
Temps d'intégration | 0.5ms-65s |
Plage dynamique | 10000:1 |
Modèle de déclenchement | Mode normal, logiciel, matériel, déclencheur de synchronisation |
Consommation de puissance | 250mA,5VDC |
Température de fonctionnement | 5 ℃-35 ℃(25 ℃ recommandé) |
Interface de communication | USB2.0(12Mbps) RS232(115200bps) |
Système d'opération | Gagnez XP,Win7,Win8,Win10 |
Linéarité | > 99% |
Alimentation électrique | USB |
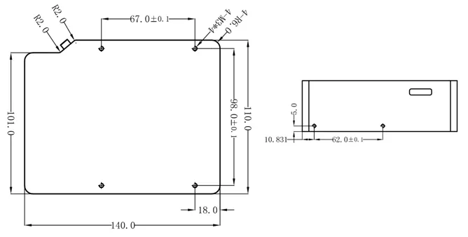
Dimension | 140mm x 110mm x 46mm |
Poids | 0.7Kg |
# | Description de la partie | Qty. |
1 | Spectromètre | 1 |
2 | Câble USB | 1 |
3 | Rapport d'étalonnage (QRCode pour téléchargement du logiciel et du manuel) | 1 |
4 | Boîte d'emballage | 1 |
Modèle | Modèle avec configuration | Gamme de longueur d'onde | Résolution |
BIM-6606-01 | BIM-6606-01-S03L00F00G14 | 200-420 nm | ~ 0.3 nm |
BIM-6606-02 | BIM-6606-02-S01L00F06G11 | 200-1000 nm | ~ 0.8 nm |
BIM-6606-03 | BIM-6606-03-S02L00F05G12 | 380-900 nm | ~ 0.8 nm |
BIM-6606-04 | BIM-6606-04-S02L00F00G23 | 305-595 nm | ~ 0.3 nm |
BIM-6606-05 | BIM-6606-05-S02L01F08G08 | 900-1000 nm | ~ 0.15 nm |
BIM-6606-06 | BIM-6606-06-S01L00F08G26 | 600-1100 nm | ~ 0.6 nm |
BIM-6606-07 | BIM-6606-07-S02L00F05G25 | 330-770 nm | ~ 0.7 nm |
BIM-6606-08 | BIM-6606-08-S02L00F00G10 | 500-720 nm | ~ 0.2 nm |
BIM-6606-09 | BIM-6606-09-S01L01F08G27 | 800-1000 nm | ~ 0.2 nm |
BIM-6606-10 | BIM-6606-10-S02L00F00G08 | 250-400 nm | ~ 0.15 nm |
BIM-6606-11 | BIM-6606-11-S02L00F00G10 | 390-610 nm | ~ 0.2 nm |
BIM-6606-12 | BIM-6606-12-S01L00F06G11 | 300-1100 nm | ~ 0.8 nm |
BIM-6606-13 | BIM-6606-13-S02L00F05G12 | 340-850 nm | ~ 0.9 nm |
BIM-6606-14 | BIM-6606-14-S01L01F08G08 | 795-905 nm | ~ 0.1 nm |
BIM-6606-15 | BIM-6606-15-S02L01F08G08 | 1005-1080 nm | ~ 0.15 nm |
BIM-6606-16 | BIM-6606-16-S02L00F08G08 | 750-870 nm | ~ 0.15 nm |
BIM-6606-17 | BIM-6606-17-S02L00F00G30 | 250-350 nm | ~ 0.1 nm |
BIM-6606-18 | BIM-6606-18-S02L00F00G30 | 350-450 nm | ~ 0.1 nm |
BIM-6606-19 | BIM-6606-19-S01L01F08G30 | 660-734 nm | ~ 0.1 nm |
BIM-6606-20 | BIM-6606-20-S01L01F05G25 | 350-795 nm | ~ 0.4 nm |
BIM-6606-21 | BIM-6606-21-S01L01F08G10 | 600-810 nm | ~ 0.15 nm |
Logiciel de spectre BSV
